|
型號
|
電壓 |
相數 |
相電阻 |
步距角 |
減速比 |
啟動頻率 |
啟動轉矩 |
定位轉矩 |
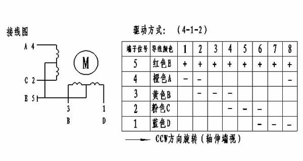
接線圖 |
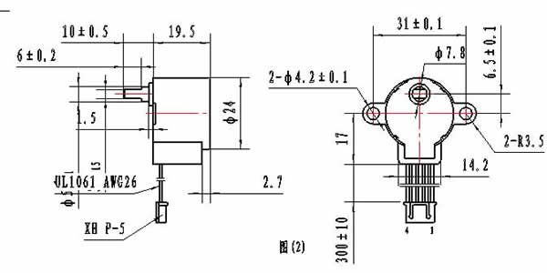
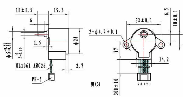
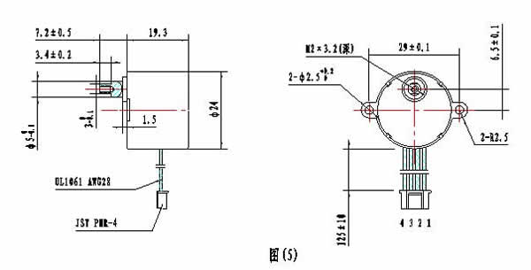
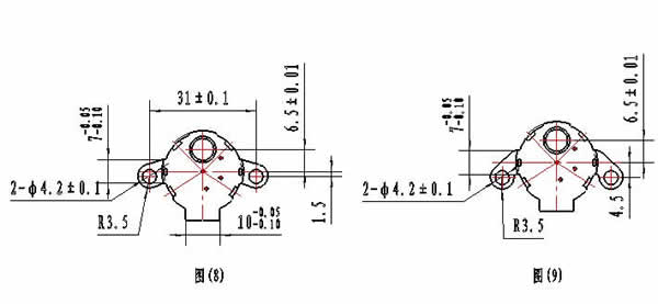
外形圖 |
|
Model
|
Voltage
|
No.of Phase
|
Resistance
|
Step Angle
|
Moderating
Ratio |
Starting Frequency
|
Pulling Torque
(100P.P.S) |
Detent Torque
|
Wdg
|
Fig
|
|
單位
|
V
|
|
Ω
|
Deg
|
|
P.P.S
|
g.cm
|
g.cm
|
|
|
|
24BYJ48-01
|
5
|
4
|
25
|
5.625/64
|
1:16
|
≥500
|
≥500
|
≥350
|
可自選
|
可自選
|
|
24BYJ48-02
|
12
|
4
|
200
|
5.625/64
|
1:25
|
≥500
|
≥500
|
≥400
|
可自選
|
可自選
|
|
24BYJ48-03
|
12
|
4
|
200
|
5.625/64
|
1:32
|
≥500
|
≥300
|
≥300
|
可自選
|
可自選
|
|
24BYJ48-04
|
12
|
4
|
200
|
5.625/25
|
1:37
|
≥500
|
≥120
|
≥150
|
可自選
|
可自選
|
|
24BYJ28-05
|
5
|
2
|
200
|
11.25/16
|
1:64
|
≥600
|
≥250
|
≥150
|
可自選
|
可自選
|
|
24BYJ48-06
|
12
|
2
|
75
|
11.25/16
|
1:64
|
≥600
|
≥250
|
≥150
|
可自選
|
可自選
|
|
24BYJ48-07
|
12
|
2
|
200
|
11.25/16
|
1:64
|
≥600
|
≥250
|
≥150
|
可自選
|
可自選
|
|
*以上表中所列僅為代表性產品
|
||||||||||










